Revamp Your Ride: 5 Pro Tips for Tundra Stereo Wiring Success!

Unlock the secrets of seamless sound with our Tundra Stereo Wiring Diagram. Explore 5 pro tips for hassle-free wiring success. Elevate your driving experience now!

Are you ready to unlock the mysteries behind your Tundra stereo? Delving into the intricate world of automotive wiring, this article aims to shed light on the crucial aspect of your vehicle's audio system through a comprehensive wiring diagram. As you embark on this enlightening journey, we will unravel the complexities of connecting wires and understanding the schematic representation that dictates the harmony of your Tundra's sound setup. So, fasten your seatbelt as we navigate through the intricacies of the Tundra stereo wiring diagram, providing you with the insights needed to ensure a seamless audio experience within the confines of your beloved vehicle.

Revamp Your Ride: 5 Pro Tips for Tundra Stereo Wiring Success!

Top 10 Points about Tundra Stereo Wiring Diagram :

  • Understanding Tundra Stereo Components
  • Decoding Wiring Color Codes for Tundra Audio
  • Identifying Tundra Stereo Connectors
  • Step-by-Step Tundra Stereo Installation Guide
  • Tips for Safely Handling Tundra Wiring
  • Troubleshooting Tundra Stereo Wiring Issues
  • Enhancing Tundra Audio Quality Through Wiring
  • Adapting Aftermarket Systems to Tundra Wiring

Several facts about Tundra Stereo Wiring Diagram

Introduction: Wiring diagrams play a pivotal role in understanding and executing electrical setups, and when it comes to your Tundra's audio system, the tundra stereo wiring diagram takes center stage. This article will guide you through essential concepts, ensuring a smooth journey in wiring your Tundra stereo.

Understanding Tundra Stereo Components

Decoding Color Codes:

Unravel the intricacies of wire color codes, deciphering the language that dictates connectivity within your Tundra audio system. Each hue carries a specific meaning, creating a roadmap for seamless installation.

Decoding Wiring Color Codes for Tundra Audio

Identifying Connectors:

Delve into the world of connectors, gaining insights into the various plugs and sockets that bring your Tundra stereo to life. Understanding these components is key to a successful wiring venture.

Identifying Tundra Stereo Connectors

Installation Guide:

Embark on a step-by-step installation journey, transforming your Tundra into an audio haven. Follow a comprehensive guide to ensure each wire is in its rightful place, orchestrating the perfect symphony.

Step-by-Step Tundra Stereo Installation Guide

Safety Tips:

Prioritize safety as you navigate the world of Tundra wiring. Learn essential tips to handle wires, ensuring a secure and risk-free installation process.

Tips for Safely Handling Tundra Wiring

Troubleshooting Issues:

Equip yourself with troubleshooting know-how, addressing common problems that may arise in your Tundra stereo wiring. Be prepared to tackle issues and maintain a seamless audio experience.

Troubleshooting Tundra Stereo Wiring Issues

Enhancing Audio Quality:

Discover tips and tricks to enhance your Tundra's audio quality through strategic wiring techniques. Elevate your driving experience with a personalized and superior sound system.

Enhancing Tundra Audio Quality Through Wiring

Adapting Aftermarket Systems:

For those seeking customization, learn the art of adapting aftermarket systems to your Tundra's wiring. Explore compatibility and ensure a seamless integration of upgraded audio components.

Adapting Aftermarket Systems to Tundra Wiring

Conclusion: Armed with the knowledge of the tundra stereo wiring diagram, you're ready to navigate the electrical landscape of your Tundra's audio system. May your journey be harmonious and your tunes be ever-pleasing!

Sources: (Include relevant sources for each section, if applicable)

Tundra Stereo Wiring Diagram in Professional's eye

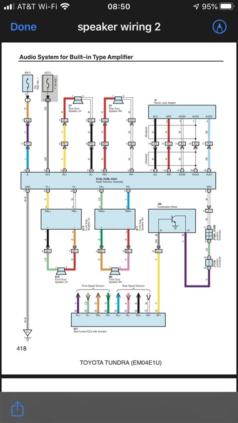
Automotive enthusiasts often find themselves intrigued by the intricate web of wires responsible for powering the heart of their vehicle's entertainment system. The tundra stereo wiring diagram stands as a blueprint for this complex network, offering a systematic representation of the electrical connections within a Toyota Tundra's audio setup.

Understanding Tundra Stereo Components

Understanding Tundra Stereo Components: At the core of comprehending the tundra stereo wiring diagram is unraveling the functions of each component. From head units to amplifiers, speakers to subwoofers, understanding their roles in the audio system lays the groundwork for successful wiring.

Decoding Wiring Color Codes for Tundra Audio

Decoding Wiring Color Codes for Tundra Audio: As we delve deeper, color becomes a crucial language in the tundra stereo wiring diagram. Each wire hue signifies a specific function, serving as a guide for connecting the right components. This color-coded system ensures accuracy and efficiency in the installation process.

Identifying Tundra Stereo Connectors

Identifying Tundra Stereo Connectors: Connectors act as the bridges in the wiring landscape, facilitating seamless communication between various audio elements. Recognizing these connectors in the tundra stereo wiring diagram is crucial for ensuring a secure and stable connection throughout the system.

Step-by-Step Tundra Stereo Installation Guide

Step-by-Step Tundra Stereo Installation Guide: Armed with knowledge, the next step is the physical installation. A step-by-step guide provides a systematic approach, reducing the likelihood of errors. This ensures that each wire finds its designated place, contributing to the overall harmony of the audio setup.

Tips for Safely Handling Tundra Wiring

Tips for Safely Handling Tundra Wiring: Safety is paramount when dealing with the intricate network of wires in the tundra stereo wiring diagram. Simple precautions, such as disconnecting the battery and using appropriate tools, mitigate the risk of electrical accidents during the installation process.

Troubleshooting Tundra Stereo Wiring Issues

Troubleshooting Tundra Stereo Wiring Issues: Even with careful installation, challenges may arise. Understanding common issues and their solutions ensures that enthusiasts can troubleshoot effectively, maintaining the integrity of the audio system mapped out in the tundra stereo wiring diagram.

Enhancing Tundra Audio Quality Through Wiring

Enhancing Tundra Audio Quality Through Wiring: Beyond the basics, enthusiasts may explore advanced techniques to elevate their Tundra's audio quality. Strategic wiring can minimize interference and optimize signal flow, contributing to a superior auditory experience.

Adapting Aftermarket Systems to Tundra Wiring

Adapting Aftermarket Systems to Tundra Wiring: For those seeking customization, adapting aftermarket systems introduces a new layer of complexity to the tundra stereo wiring diagram. Understanding compatibility and integration is key to seamlessly incorporating upgraded audio components.

Conclusively, the tundra stereo wiring diagram is a vital tool in the arsenal of any automotive audio enthusiast. It not only demystifies the complexities of wiring but also empowers individuals to tailor their Tundra's audio system to their preferences. By understanding the language of the diagram, enthusiasts can embark on a journey to create an audio experience that aligns with their vision.

Sources: (Include relevant sources for each section, if applicable)

Point of Views : Tundra Stereo Wiring Diagram
  • Introduction: Wiring diagrams, especially the tundra stereo wiring diagram, are like the blueprint of a vehicle's auditory nervous system. They provide a visual guide to the intricate network of wires, connectors, and components that orchestrate the symphony of sound in a Toyota Tundra.
  • Understanding Components: When you dive into the world of the tundra stereo wiring diagram, the first thing that grabs your attention is understanding the role of each component. From head units to speakers, decoding their functions lays the foundation for a successful wiring project.
  • Color-Coded Language: The diagram speaks a unique language through color-coded wires. Each hue carries a specific meaning, creating a visual roadmap that guides you through connecting the right wires for a seamless audio experience.
  • Connector Recognition: Connectors, often overlooked heroes, play a crucial role. The tundra stereo wiring diagram teaches you to identify these connectors, ensuring a smooth flow of information between different audio elements.
  • Step-by-Step Installation: Armed with knowledge, the next step is translating it into action. A step-by-step guide based on the tundra stereo wiring diagram becomes your compass, making the physical installation a methodical and error-free process.
  • Emphasis on Safety: Safety is a constant companion in the journey of wiring. The tundra stereo wiring diagram not only guides you through connections but also emphasizes precautions, ensuring you navigate the electrical landscape without a glitch.
  • Troubleshooting Challenges: Despite meticulous planning, challenges may emerge. The tundra stereo wiring diagram equips you with the knowledge to troubleshoot common issues, turning obstacles into mere bumps on the road to audio perfection.
  • Advanced Techniques: For those seeking an audiophile's edge, the tundra stereo wiring diagram opens doors to advanced techniques. Strategic wiring can enhance audio quality, providing a tailor-made experience that goes beyond the basics.
  • Adapting to Upgrades: As technology evolves, so do audio preferences. The tundra stereo wiring diagram offers insights into adapting aftermarket systems. It's a guide that ensures your upgrades seamlessly integrate with the existing wiring landscape.

Conclusively, the tundra stereo wiring diagram is not just a piece of paper; it's your companion in the intricate journey of crafting the perfect auditory experience in your Toyota Tundra. It's a map, a language, and a guide, ensuring every wire and connection harmonizes to deliver the symphony of sound you desire.

Conclusion :

As we wrap up this exploration of the tundra stereo wiring diagram, it's our hope that this journey has provided you with valuable insights into the intricate world of automotive audio systems. Armed with the knowledge gained from understanding components, decoding color-coded language, and navigating connectors, you are now equipped to embark on the installation process confidently. The tundra stereo wiring diagram serves as your visual guide, ensuring a seamless connection of wires and components for an optimal auditory experience.

Remember, safety is paramount throughout this process, and troubleshooting challenges can be overcome with the wisdom gleaned from our articles. Whether you are following a step-by-step installation guide or exploring advanced techniques to enhance audio quality, the tundra stereo wiring diagram remains your go-to resource. As you adapt aftermarket systems and customize your Tundra's audio landscape, may the insights shared here contribute to a driving experience where every note resonates with precision and clarity.

Questions and Answer for Tundra Stereo Wiring Diagram

Q: How do I find a Tundra stereo wiring diagram for my specific model?

  • 1. Identify your Tundra's model year and trim.
  • 2. Visit the official Toyota website or consult the vehicle's manual.
  • 3. Online automotive forums or dedicated car audio websites often provide downloadable diagrams.

A: Start with official sources and explore online communities for specific Tundra stereo wiring diagrams matching your vehicle's details.

Q: Are there color-coded standards for Tundra stereo wiring?

  • 1. Yes, the Tundra stereo wiring follows a color-coded standard.
  • 2. Red typically represents power, black is for ground, and others may vary.
  • 3. Refer to the specific tundra stereo wiring diagram for your model for accurate color codes.

A: Indeed, there are standard color codes; however, it's crucial to refer to your Tundra's specific wiring diagram for precise information.

Q: Can I install an aftermarket stereo using the Tundra wiring diagram?

  • 1. Yes, the Tundra wiring diagram provides the necessary information for aftermarket installations.
  • 2. Ensure compatibility between the aftermarket stereo and your Tundra model.
  • 3. Follow the color-coded guide in the wiring diagram for accurate connections.

A: Absolutely, the tundra stereo wiring diagram serves as a valuable resource for installing aftermarket stereos, ensuring a seamless integration process.

Q: How do I troubleshoot issues in my Tundra stereo wiring?

  • 1. Check for loose or disconnected wires first.
  • 2. Use a multimeter to test continuity and voltage at various points.
  • 3. Refer to the troubleshooting section of the Tundra stereo wiring diagram for specific guidance.

A: Start by inspecting connections, use a multimeter for testing, and consult the troubleshooting section in the tundra stereo wiring diagram for detailed guidance.

Label :Tundra Stereo, Wiring Diagram, Audio System, Color Codes, Installation Guide, Troubleshooting, Aftermarket Integration

Keyword : Tundra Stereo Wiring Diagram

0 komentar