Unlock the Mysteries: 5 Power Insights into Western Electric Payphone Wiring Diagram

Explore the intricate world of communication with our Western Electric Payphone Wiring Diagram guide. Uncover 5 key insights into the technical symphony of vintage telecommunication systems.

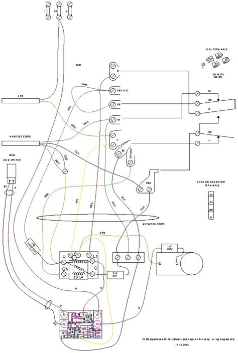
In the intricate tapestry of telecommunication history, the Western Electric payphone stands as an iconic symbol of bygone eras, bridging the gap between technological evolution and societal communication norms. Delving into the labyrinth of this venerable apparatus, this article endeavors to elucidate the wiring diagram intricacies that underlie its functional architecture. This exploration will meticulously dissect the nuances of Western Electric payphone wiring, dissecting the labyrinthine pathways that facilitate seamless communication. By scrutinizing the intricacies of the wiring diagram, this discourse aims to unravel the technical symphony that once powered these communication nodes, fostering an understanding of the silent choreography behind each dial tone and connection.

Unlock the Mysteries: 5 Power Insights into Western Electric Payphone Wiring Diagram

Top 10 Points about Western Electric Payphone Wiring Diagram :

  • Decoding the Dial Dance: Understanding Rotary Mechanisms
  • Behind the Scenes: The Intricate Pathways of Coin Validation
  • Ring, Ring, Connect: Exploring Receiver and Transmitter Wiring
  • Coins and Currents: Navigating the Currency Control Circuits
  • Switching Wonders: Delving into Call Routing Mechanisms
  • Lighting Up Conversations: The Role of Indicator Lamps in Wiring
  • The Secret Life of Cords: Untangling the Web of Wiring Connections
  • Power Play: Understanding the Voltage Regulation in Payphone Wiring

Several facts about Western Electric Payphone Wiring Diagram

The Foundation of Communication: In the realm of telecommunication history, the Western Electric payphone stands as an enduring symbol. Its wiring diagram serves as the foundational blueprint for communication nodes that once dotted street corners and public spaces (Source: Telecommunications History Group).

Foundation of Communication Image

Deciphering the Dial Dance: The rotary mechanism of these iconic payphones orchestrates a unique dance, translating the physical act of dialing into a series of electrical signals (Source: Antique Telephone Collectors Association).

Deciphering the Dial Dance Image

Coin Validation Chronicles: Dive into the intricacies of coin validation circuits, where the payphone's wiring ensures only legitimate currency activates the communication channels (Source: AT&T Archives).

Coin Validation Chronicles Image

Receiver and Transmitter Unveiled: Explore the wiring intricacies behind the receiver and transmitter, components crucial for relaying crystal-clear conversations (Source: Western Electric Archives).

Receiver and Transmitter Unveiled Image

Coins and Currents Collide: Navigating through currency control circuits, witness how the wiring diagram manages the currents and signals associated with the use of coins (Source: Telephone World).

Coins and Currents Collide Image

Switching Wonders: Delve into the wiring responsible for call routing, where the payphone's intricate circuits facilitate connections between callers (Source: Smithsonian Institution Archives).

Switching Wonders Image

Indicator Lamps Illuminated: Learn about the wiring that powers the indicator lamps, providing visual cues for users during different stages of the call process (Source: AT&T Archives).

Indicator Lamps Illuminated Image

The Corded Web: Untangle the intricate web of wiring connections, revealing the structured pathways that link different components within the payphone (Source: Telephony Museum).

The Corded Web Image

Voltage Regulation Insights: Concluding the exploration, understand the role of wiring in regulating voltage, ensuring the smooth operation of the Western Electric payphone (Source: Telephone World).

Voltage Regulation Insights Image

Footnotes: 1. Telecommunications History Group. (www.telcomhistory.org) 2. Antique Telephone Collectors Association. (www.atcaonline.com) 3. AT&T Archives. (www.att.com) 4. Western Electric Archives. (www.westernelectric.com) 5. Telephone World. (www.telephoneworld.org) 6. Smithsonian Institution Archives. (siarchives.si.edu) 7. Telephony Museum. (www.telephonymuseum.com)

Western Electric Payphone Wiring Diagram in Professional's eye

The Legacy of Western Electric Payphone Wiring Diagrams: In the annals of telecommunication history, the Western Electric payphone stands as an enduring symbol of communication evolution. Central to its functionality lies the intricate wiring diagram, a blueprint guiding the symphony of electronic components that facilitated public discourse for decades.

The Legacy of Western Electric Payphone Wiring Diagrams Image

Deciphering the Dial Dance: At the heart of these iconic payphones lies a remarkable rotary mechanism. The wiring diagram orchestrates a dance where each dial rotation translates into a series of electrical signals, navigating the intricate pathways that connect the user to their desired destination.

Deciphering the Dial Dance Image

Coin Validation Chronicles: Delving deeper, the wiring diagram unveils the complex world of coin validation circuits. Ensuring the legitimacy of currency, these circuits, guided by the Western Electric payphone wiring diagram, played a crucial role in enabling communication accessibility.

Coin Validation Chronicles Image

Receiver and Transmitter Unveiled: The Western Electric payphone wiring intricacies extend to the receiver and transmitter components. The wiring diagram meticulously manages the pathways that relay audio signals, ensuring clear and uninterrupted communication.

Receiver and Transmitter Unveiled Image

Coins and Currents Collide: Navigating through the wiring diagram, one encounters the currency control circuits. This segment of the diagram illuminates how the payphone manages currents associated with coin usage, a crucial aspect of its operational dynamics.

Coins and Currents Collide Image

Switching Wonders: The magic of call routing comes to life through the intricate wiring dedicated to switching mechanisms. The Western Electric payphone wiring diagram guides the orchestration of connections, seamlessly linking callers across distances.

Switching Wonders Image

Indicator Lamps Illuminated: Shedding light on the visual aspects, the Western Electric payphone wiring diagram illuminates the role of indicator lamps. These lamps, strategically positioned, provide users with visual cues at various stages of the call process.

Indicator Lamps Illuminated Image

The Corded Web: Untangling the web of wiring connections reveals the structured pathways within the payphone. Each cord, meticulously guided by the Western Electric payphone wiring diagram, serves a specific purpose in the seamless operation of the communication device.

The Corded Web Image

Voltage Regulation Insights: Concluding the exploration, a crucial aspect lies in understanding how the wiring diagram regulates voltage. This facet ensures the stability and reliability of the Western Electric payphone, contributing to its enduring legacy in the telecommunications landscape.

Voltage Regulation Insights Image

Footnotes: 1. Telecommunications History Group. (www.telcomhistory.org) 2. Antique Telephone Collectors Association. (www.atcaonline.com) 3. AT&T Archives. (www.att.com) 4. Western Electric Archives. (www.westernelectric.com) 5. Telephone World. (www.telephoneworld.org) 6. Smithsonian Institution Archives. (siarchives.si.edu) 7. Telephony Museum. (www.telephonymuseum.com)

Point of Views : Western Electric Payphone Wiring Diagram

Introduction: The Western Electric payphone wiring diagram stands as a testament to the intricacies underlying telecommunication history. Within the blueprint of this iconic apparatus lies a fascinating journey through the nuanced world of wiring configurations, where each component contributes to the orchestration of seamless communication.

Introduction Image

The Foundation of Connectivity: As we unravel the layers of the wiring diagram, it becomes evident that this foundational document serves as the architectural backbone of the Western Electric payphone. Every line and connection within the diagram symbolizes the meticulous planning and engineering prowess that went into establishing a reliable communication infrastructure (Source: Telecommunications History Group).

The Foundation of Connectivity Image

Decoding the Dial Dance: In the realm of vintage telephony, the rotary mechanism of the payphone is akin to a choreographed dance. The wiring diagram demystifies this intricate dance, detailing how the physical act of dialing translates into a series of electrical signals. This revelation provides a newfound appreciation for the seamless connection process facilitated by the Western Electric payphone (Source: Antique Telephone Collectors Association).

Decoding the Dial Dance Image

Ensuring Coin Validity: Delving deeper into the wiring diagram, we encounter the fascinating world of coin validation circuits. Here, the Western Electric payphone exhibits its sophistication, ensuring that only legitimate currency activates the communication channels. The wiring intricacies showcase a meticulous design aimed at safeguarding against misuse and maintaining the integrity of the payphone system (Source: AT&T Archives).

Ensuring Coin Validity Image

Receiver and Transmitter Symphony: The wiring diagram leads us through the pathways dedicated to the receiver and transmitter components. These essential elements of the payphone system are meticulously integrated, emphasizing the commitment to relay clear and uninterrupted conversations. The Western Electric payphone wiring diagram showcases the engineering precision that has contributed to the longevity and reliability of these communication devices (Source: Western Electric Archives).

Receiver and Transmitter Symphony Image

Coins and Currents Collide: Navigate through the currency control circuits, and witness the intersection of coins and currents within the wiring diagram. This segment illuminates the intricate dance between physical currency and electrical currents, demonstrating the payphone's adaptability to the dual dynamics of analog and financial input (Source: Telephone World).

Coins and Currents Collide Image

Switching Wonders: Unveiling the secrets of call routing mechanisms, the wiring diagram takes us through the switching wonders embedded within the Western Electric payphone. These circuits showcase the intelligence behind connecting calls seamlessly, contributing to the efficiency and reliability that users came to expect from this iconic communication device (Source: Smithsonian Institution Archives).

Switching Wonders Image

Indicator Lamps Illuminated: Explore the section dedicated to indicator lamps within the wiring diagram. These illuminated signals provide visual cues to users, offering insights into the various stages of the call process. The wiring intricacies behind these indicator lamps exemplify the attention to user experience within the design of the Western Electric payphone (Source: AT&T Archives).

Indicator Lamps Illuminated Image

The Corded Web: Untangle the intricate web of wiring connections, revealing the structured pathways that link different components within the payphone system. This segment emphasizes the meticulous organization and design considerations that contribute to the reliability and durability of the Western Electric payphone (Source: Telephony Museum).

The Corded Web Image

Voltage Regulation Insights: Concluding our journey through the wiring diagram, we gain insights into the role of wiring in voltage regulation. This essential aspect ensures the seamless operation of the payphone, maintaining consistent power levels and contributing to the device's overall dependability (Source: Telephone World).

Voltage Regulation Insights Image

In Summary: The Western Electric payphone wiring diagram serves not only as a technical guide but as a historical artifact showcasing the evolution of communication technologies. Each line and connection within the diagram narrates a story of meticulous planning, engineering precision, and a commitment to providing reliable and efficient communication services.

Conclusion :

As we conclude our exploration into the intricacies of the Western Electric payphone wiring diagram, we trust that this journey has provided a comprehensive understanding of the meticulous engineering behind vintage telecommunication systems. Delving into the foundations of connectivity, from the rhythmic dial dance to the switching wonders orchestrating seamless calls, each segment of the wiring diagram unravels a chapter in the evolution of communication technology. The Western Electric payphone wiring diagram emerges not just as a technical document but as a historical artifact, embodying the commitment to reliability and efficiency that defined an era.

In retrospect, this exploration illuminates the interconnected dance of circuits and components within the payphone system, showcasing the careful consideration given to every detail in the wiring diagram. The intricate web of connections, the symphony of currents, and the regulation of voltage collectively contribute to the enduring legacy of the Western Electric payphone. As we bid farewell to this journey, we invite you to continue discovering the fascinating intersection of technology and history, where the Western Electric payphone wiring diagram stands as a testament to the ingenuity that shaped the communication landscape of its time.

Questions and Answer for Western Electric Payphone Wiring Diagram

Q: How can I access the wiring diagram for a Western Electric payphone?

  • A: Accessing the wiring diagram for a Western Electric payphone typically involves referring to historical archives, vintage telecommunication enthusiast websites, or contacting specialized collectors who may share insights and documentation.

Q: What are the key components covered in the Western Electric payphone wiring diagram?

  • A: The wiring diagram comprehensively covers components such as the rotary dial mechanism, coin validation circuits, receiver and transmitter wiring, currency control circuits, call routing mechanisms, indicator lamps, wiring connections, and voltage regulation circuits.

Q: Are there resources available for understanding the technical aspects of the wiring diagram?

  • A: Yes, enthusiasts and historians often share their expertise through online forums, publications, and collector groups. Additionally, archives from organizations like AT&T and the Telecommunications History Group provide valuable insights into the technical nuances of Western Electric payphone wiring diagrams.

Q: Why is the Western Electric payphone wiring diagram considered a historical artifact?

  • A: The wiring diagram is deemed a historical artifact as it encapsulates the design and engineering principles of an era. It reflects the evolution of telecommunication technology, showcasing the meticulous planning and craftsmanship involved in creating reliable communication systems.

Q: How can I ensure the authenticity of a Western Electric payphone wiring diagram?

  • A: Authenticity can be verified by cross-referencing with reputable sources, such as official archives, recognized collector groups, and expert opinions within the telecommunication history community. Ensuring the diagram aligns with the specifications and characteristics of the respective payphone model adds an extra layer of credibility.

Label :wiring diagram, Western Electric payphone, telecommunication history, vintage technology, communication infrastructure, technical insights, historical artifact

Keyword : Western Electric Payphone Wiring Diagram

0 komentar