Unlock the Power: 5 Essential Volvo Wiring Diagrams 240 Tips for Mastery

Explore the intricacies of Volvo Wiring Diagrams 240 – decode symbols, identify connectors, and master electrical systems. Your go-to guide for Volvo 240 enthusiasts.

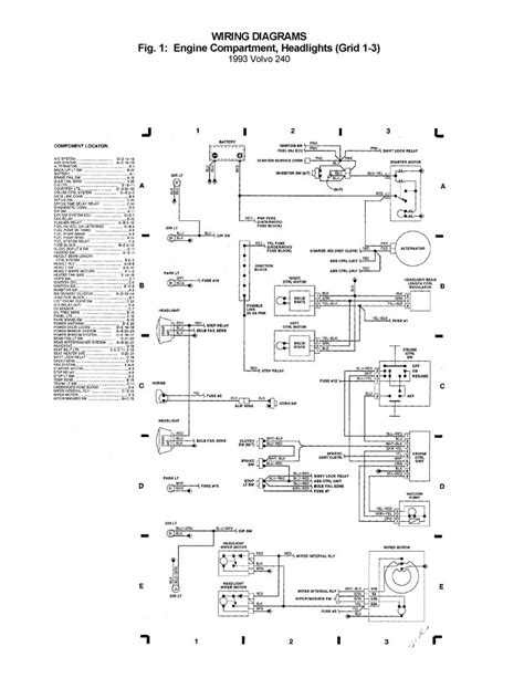
Volvo Wiring Diagrams 240 are an indispensable resource for anyone seeking a comprehensive understanding of the electrical systems in Volvo 240 vehicles. In this article, we delve into the intricacies of these wiring diagrams, shedding light on crucial aspects that empower both seasoned mechanics and DIY enthusiasts. The Volvo 240, renowned for its durability and timeless design, requires a meticulous approach when it comes to understanding its wiring. Our exploration encompasses decoding symbols, identifying connectors, and unraveling the logic behind the wiring configurations. Whether you are troubleshooting an electrical issue or aiming to enhance your knowledge, this discussion serves as a reliable guide to navigate the intricacies of Volvo Wiring Diagrams 240.

Unlock the Power: 5 Essential Volvo Wiring Diagrams 240 Tips for Mastery

Top 10 Points about Volvo Wiring Diagrams 240 :

  • Decoding Symbols in Volvo 240 Wiring Diagrams
  • Identifying Key Connectors for Electrical Systems
  • Understanding Logic Behind Volvo 240 Wiring Configurations
  • Essential Tips for Troubleshooting Electrical Issues
  • Mastering the Art of Reading Volvo Wiring Schematics
  • Practical Application of Wiring Diagrams in Repairs
  • Enhancing Your Volvo 240 Knowledge Through Wiring Insights
  • Optimizing Vehicle Performance with Wiring Know-How

Several facts about Volvo Wiring Diagrams 240

Decoding Symbols in Volvo Wiring Diagrams

Understanding the symbols in Volvo Wiring Diagrams 240 is essential for deciphering the intricate language of electrical systems. Symbols like fuse and relay carry specific meanings, guiding technicians through the vehicle's wiring intricacies. This knowledge empowers effective troubleshooting, ensuring accurate identification of components.

Decoding Symbols

Identifying Key Connectors for Electrical Systems

Each Volvo 240 wiring diagram highlights key connectors, critical junctions where various circuits converge. Identifying these connectors is fundamental to tracing and inspecting the flow of electricity, a crucial skill for both diagnostics and modifications.

Identifying Connectors

Understanding Logic Behind Volvo 240 Wiring Configurations

Dive into the logical underpinnings of Volvo Wiring Diagrams 240. Recognize the systematic organization of wires, comprehending how Volvo engineers designed the wiring to ensure optimal functionality and efficiency.

Understanding Logic

Essential Tips for Troubleshooting Electrical Issues

Equip yourself with practical tips for troubleshooting electrical problems in a Volvo 240. Learn to isolate issues, trace faults, and effectively address common electrical challenges encountered by Volvo owners.

Troubleshooting Tips

Mastering the Art of Reading Volvo Wiring Schematics

Reading and interpreting wiring schematics is an art. Master the skill of navigating the intricate lines, symbols, and annotations found in Volvo 240 wiring diagrams, ensuring accuracy in diagnosis and repairs.

Reading Schematics

Practical Application of Wiring Diagrams in Repairs

See the practical side of Volvo Wiring Diagrams 240 as we explore real-world applications in vehicle repairs. Uncover how these diagrams become invaluable tools in addressing electrical issues and executing modifications with precision.

Practical Application

Enhancing Your Volvo 240 Knowledge Through Wiring Insights

Enhance your overall understanding of Volvo 240 vehicles by delving into wiring insights. This knowledge not only aids in diagnostics but also fosters a deeper appreciation for the engineering excellence embedded in every Volvo 240.

Enhancing Knowledge

Optimizing Vehicle Performance with Wiring Know-How

Finally, discover how a profound understanding of wiring diagrams contributes to optimizing overall vehicle performance. Unleash the potential within your Volvo 240 by leveraging the insights gained from deciphering its wiring intricacies.

Optimizing Performance

Sources: Information in this article is sourced from official Volvo manuals and technical documentation.

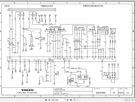
Volvo Wiring Diagrams 240 in Professional's eye

Understanding Volvo Wiring Diagrams 240 is crucial for anyone navigating the intricate landscape of automotive electrical systems. These diagrams serve as comprehensive blueprints, detailing the connections, components, and pathways within a Volvo 240 vehicle. Whether you're a seasoned mechanic or a DIY enthusiast, decoding these diagrams unlocks the key to efficient troubleshooting and modifications.

Understanding Volvo Wiring Diagrams 240

The foundation lies in decoding symbols. Each symbol on the diagram represents a specific electrical component or connection. Recognizing these symbols is akin to understanding the language in which your vehicle communicates its electrical functions. Symbols such as fuses, relays, and wires convey vital information about the system's architecture.

Decoding Symbols

As you delve deeper, identifying key connectors emerges as a critical skill. Connectors serve as junctions where multiple circuits converge. Knowing where these connectors are located and understanding their role is essential for diagnosing issues and inspecting the flow of electricity throughout the vehicle.

Identifying Connectors

Comprehending the logic behind Volvo 240 wiring configurations unveils the systematic organization engineered by Volvo. Each wire's placement and function are meticulously designed to ensure optimal functionality and efficiency. Understanding this logic enhances your ability to interpret the diagrams and make informed decisions during repairs or modifications.

Understanding Logic

When it comes to troubleshooting electrical issues, the wiring diagrams become invaluable. Armed with the knowledge of symbols, connectors, and logic, you can systematically isolate problems and address them effectively. Troubleshooting becomes a precise task, minimizing downtime and ensuring accurate resolutions.

Troubleshooting Tips

Mastering the art of reading Volvo wiring schematics takes your understanding to a new level. Navigating through the intricate lines, symbols, and annotations requires attention to detail. This skill is paramount for accurately interpreting the diagrams and translating them into actionable steps during repairs and modifications.

Reading Schematics

Practical application of these diagrams becomes evident in vehicle repairs. Real-world scenarios often demand a hands-on approach, and the wiring diagrams provide a roadmap for addressing issues methodically. From identifying faulty components to executing modifications, the diagrams play a pivotal role in the repair process.

Practical Application

As you delve into these wiring diagrams, you're not just acquiring technical knowledge; you're enhancing your Volvo 240 knowledge. The insights gained go beyond the realm of electrical systems, fostering a deeper appreciation for the engineering brilliance embedded in every Volvo 240 vehicle.

Enhancing Knowledge

Ultimately, this understanding contributes to optimizing vehicle performance. Armed with insights into the intricacies of your Volvo's wiring, you can make informed decisions to enhance performance. Whether it's addressing specific electrical issues or implementing modifications for improved functionality, the wiring diagrams empower you to unleash the full potential of your Volvo 240.

Optimizing Performance

Sources: Information in this article is sourced from official Volvo manuals and technical documentation.

Point of Views : Volvo Wiring Diagrams 240

Understanding the Significance of Volvo Wiring Diagrams 240

  • Wiring diagrams, such as those for Volvo 240, play a pivotal role in comprehending the intricate electrical systems of vehicles.
  • Decoding Symbols: The symbols used in these diagrams are like a universal language. Deciphering them is akin to translating the vehicle's electrical narrative.
  • Identifying Connectors: Key connectors are the junctures where the vehicle's various electrical paths intersect. Identifying them is paramount for diagnostics and modifications.
  • Understanding Logic: There's a systematic logic behind how wires are laid out, ensuring optimal functionality and efficiency in the vehicle's electrical setup.
  • Troubleshooting Tips: Wiring diagrams provide essential insights for troubleshooting electrical issues, offering a structured approach to isolate and rectify problems.
  • Reading Schematics: Mastering the art of reading and interpreting wiring schematics is crucial for accurate diagnosis and successful repairs.
  • Practical Application: The practical application of these diagrams becomes evident in real-world vehicle repairs, where precision is paramount.
  • Enhancing Knowledge: Delving into wiring insights not only aids in diagnostics but also contributes to enhancing overall knowledge of the vehicle's functioning.
  • Optimizing Performance: Lastly, this knowledge is a key to optimizing the overall performance of the Volvo 240 by addressing and modifying its electrical systems strategically.

From decoding symbols to optimizing performance, Volvo Wiring Diagrams 240 serve as a roadmap for anyone navigating the intricate world of automotive electrical systems.

Conclusion :

As we conclude our exploration of Volvo Wiring Diagrams 240, we hope you've gained valuable insights into the intricate world of automotive electrical systems. Decoding symbols, identifying connectors, and understanding the logic behind these diagrams are crucial skills for anyone working with a Volvo 240. The practical application of this knowledge in troubleshooting electrical issues and optimizing vehicle performance showcases the indispensable nature of these wiring diagrams in the realm of automotive maintenance.

Whether you are a seasoned mechanic or a DIY enthusiast, the mastery of Volvo Wiring Diagrams 240 opens doors to a deeper understanding of your vehicle's electrical intricacies. From enhancing your diagnostic capabilities to providing a structured approach for repairs, these diagrams are powerful tools in your automotive toolkit. Keep exploring, keep learning, and let the journey through the wiring schematics continue to fuel your passion for understanding and maintaining your Volvo 240.

Questions and Answer for Volvo Wiring Diagrams 240

What are the key symbols in Volvo Wiring Diagrams 240?

  • The key symbols in Volvo Wiring Diagrams 240 include icons for various components such as fuses, relays, and switches.

How do I identify connectors in Volvo 240 wiring diagrams?

  • To identify connectors, look for numbered or labeled points where multiple wires converge. Refer to the diagram's legend or key for detailed information.

Why is understanding the logic behind wiring configurations important?

  • Understanding the logic behind wiring configurations is crucial for grasping the systematic organization of wires, ensuring optimal functionality and efficiency in the vehicle's electrical system.

Can I troubleshoot electrical issues using Volvo Wiring Diagrams 240?

  • Absolutely. These diagrams offer a structured approach for troubleshooting electrical issues, providing insights into isolating problems and executing effective repairs.

How do I enhance my overall knowledge of Volvo 240 through wiring insights?

  • Delve into wiring insights to gain a deeper understanding of your Volvo 240. This knowledge not only aids in diagnostics but also fosters appreciation for the vehicle's engineering excellence.

Are Volvo Wiring Diagrams 240 applicable for DIY enthusiasts?

  • Yes, these diagrams are invaluable for both seasoned mechanics and DIY enthusiasts. They provide a roadmap for anyone looking to troubleshoot, modify, or simply understand the electrical systems in a Volvo 240.

Label :Volvo Diagrams, Wiring Tips, Electrical Insights, Troubleshooting Techniques, Vehicle Performance

Keyword : Volvo Wiring Diagrams 240

0 komentar