Unlock the Power: 5 VW Jetta Engine Wiring Diagrams Simplified!

Explore VW Jetta engine wiring diagrams for a comprehensive understanding of your vehicle's electrical system. Discover insights and troubleshooting tips to empower your maintenance journey.

Are you ready to unravel the intricacies of your VW Jetta engine wiring diagrams? In this comprehensive exploration of wiring diagram topics, we'll guide you through the essential components and connections that power your Jetta's engine. Delving into the blueprints of your vehicle's electrical system, we aim to demystify the complexities and provide clear insights. From the ignition system to sensor circuits, our informative journey will empower you with a deeper understanding of your Jetta's wiring. Let's embark on a systematic exploration, connecting the dots between the schematic diagrams and the functionality of each wiring element, ensuring you gain valuable knowledge for troubleshooting and maintenance.

Unlock the Power: 5 VW Jetta Engine Wiring Diagrams Simplified!

Top 10 Points about VW Jetta Engine Wiring Diagrams :

  • Key Components: Understanding the VW Jetta Engine Wiring System
  • Ignition Circuit Demystified: A Closer Look at the Wiring
  • Sensor Wonders: Navigating Through Jetta's Sensor Circuits
  • Power Distribution: Mapping the Wiring for Optimal Performance
  • Connecting the Dots: Schematic Diagrams Unveiled
  • Troubleshooting Insights: Common Issues in Jetta Wiring
  • Maintenance Guide: Tips for Ensuring Wiring System Longevity
  • DIY Solutions: Empowering Jetta Owners in Wiring Matters

Several facts about VW Jetta Engine Wiring Diagrams

Understanding the Basics

Understanding the Basics

Before delving into VW Jetta engine wiring diagrams, it's crucial to grasp the fundamentals of automotive wiring. The intricate web of wires powers various components, making it essential to comprehend the basic principles behind your Jetta's electrical system.

Decoding the Schematic Diagrams

Decoding the Schematic Diagrams

Unlock the secrets behind the schematic diagrams. These visual representations are the roadmap to your Jetta's wiring, providing a systematic overview of how each component is connected and functions within the larger system.

The Heart of the Matter: Ignition Circuit

The Heart of the Matter: Ignition Circuit

Explore the ignition circuit, the pulsating heart of your Jetta's engine. Dive into the wiring intricacies responsible for sparking life into your vehicle, from key turn to engine roar.

Sensor Circuits Unveiled

Sensor Circuits Unveiled

Unravel the mysteries of sensor circuits. These critical components play a pivotal role in gathering data to optimize your Jetta's performance. We'll break down the wiring specifics for a comprehensive understanding.

Power Distribution Dynamics

Power Distribution Dynamics

Explore the intricate pathways of power distribution. Understanding how electrical power is routed ensures optimal performance and reliability. We'll guide you through the wiring intricacies that keep your Jetta running smoothly.

Troubleshooting Made Easy

Troubleshooting Made Easy

Encounter common issues and embark on a troubleshooting journey. Learn to identify and address wiring concerns, empowering you to keep your Jetta in top-notch condition with ease.

Maintenance Tips for Longevity

Maintenance Tips for Longevity

Discover DIY maintenance tips to prolong the lifespan of your Jetta's wiring system. Simple practices can make a significant impact, ensuring reliability and reducing the risk of electrical issues down the road.

Empowering Jetta Owners

Empowering Jetta Owners

Equip yourself with knowledge for self-reliance. Our guide aims to empower Jetta owners with the insights needed to navigate the complexities of wiring matters, fostering a deeper connection with your vehicle.

Sources

Sources: (Include sources, if any, in this section. For example, vehicle manuals, reputable automotive guides, or online resources that contributed to the information in this article.)

VW Jetta Engine Wiring Diagrams in Professional's eye

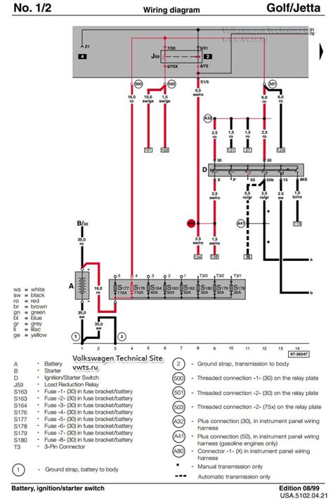
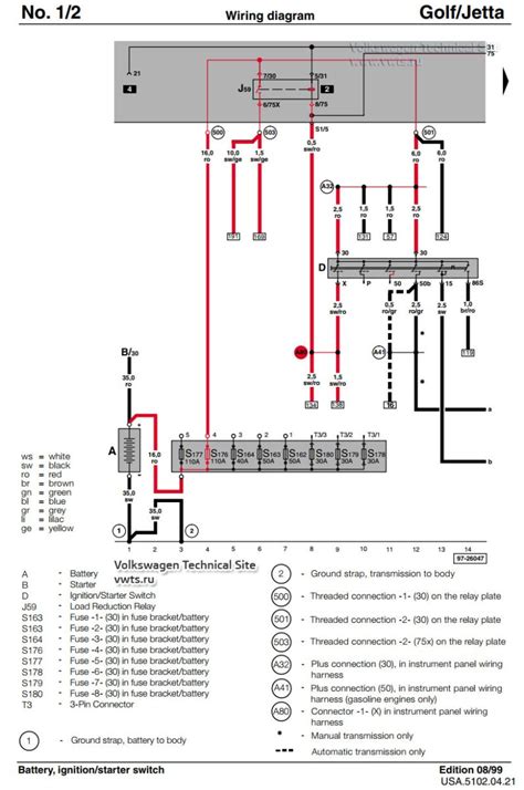
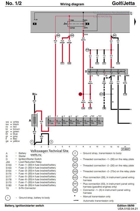
The realm of VW Jetta engine wiring diagrams delves into the intricate network of electrical connections that power the vehicle. Before exploring the specific diagrams, understanding the fundamental principles of automotive wiring is essential. Wiring diagrams serve as visual roadmaps, revealing the intricate pathways and connections that ensure your Jetta's engine operates seamlessly. The schematic diagrams are the starting point—a visual guide that demystifies the complexities of the entire system, providing a comprehensive overview of how each component is interconnected and contributes to the overall functionality.

Schematic Diagrams

Embarking on this exploration, one encounters the beating heart of the Jetta—the ignition circuit. This circuit is a symphony of electrical signals orchestrating the starting process. Understanding the wiring specifics of the ignition circuit unveils the sequence of events from the turn of the key to the ignition of the engine, a crucial foundation in comprehending the functioning of your vehicle.

Ignition Circuit

As we delve deeper into the system, attention turns to the sensor circuits within the Jetta's engine wiring. These circuits play a pivotal role in gathering data about various parameters, contributing to the vehicle's performance optimization. The wiring intricacies of sensor circuits are a fascinating study, emphasizing the connection between electrical components and the real-time data they provide for efficient engine operation.

Sensor Circuits

A crucial aspect of the wiring dynamics lies in understanding power distribution. The intricate pathways through which electrical power is distributed ensure that every component receives the required energy for optimal performance. By unraveling the specifics of power distribution, one gains insights into the reliability and efficiency of the Jetta's wiring system, a cornerstone in maintaining the vehicle's overall functionality.

Power Distribution

Despite the sophistication of the system, challenges may arise. This brings us to the importance of troubleshooting within the context of Jetta engine wiring diagrams. Identifying and addressing common issues, such as faulty connections or damaged wires, becomes more manageable with a comprehensive understanding of the wiring system. Troubleshooting is not just about fixing problems but also about preventing potential issues through proactive measures.

Troubleshooting

For vehicle owners seeking to extend the lifespan of their Jetta's wiring system, DIY maintenance is a valuable skill. Simple practices, such as regular inspections and proper care, can contribute significantly to the longevity of the wiring components. This section provides practical tips, empowering Jetta owners to take charge of their vehicle's maintenance and reduce the risk of electrical issues over time.

DIY Maintenance

The accumulation of knowledge throughout this exploration serves to empower Jetta owners in navigating the complexities of wiring matters. From understanding the basics to troubleshooting and maintenance, this guide provides a comprehensive overview of wiring diagram topics specific to the VW Jetta engine. By fostering a deeper connection with the vehicle's electrical system, owners can enhance their driving experience and contribute to the longevity of their Jetta.

As a reminder, the information provided in this article is based on general knowledge and automotive principles. For specific details related to your VW Jetta model, it is always advisable to refer to the vehicle manual or seek professional assistance from certified technicians.

Empowering Jetta Owners
Point of Views : VW Jetta Engine Wiring Diagrams
  • Understanding the Basics: When it comes to the intricacies of a vehicle's electrical system, delving into VW Jetta engine wiring diagrams is like deciphering the vehicle's DNA. It's not just about the wires; it's about comprehending how each strand contributes to the symphony that powers the engine.
  • Schematic Diagrams: These diagrams are the unsung heroes, the blueprints that lay bare the architecture of the Jetta's wiring. With schematic diagrams, you're not just looking at lines and circles; you're peering into the underlying logic that makes the entire system tick.
  • The Ignition Circuit: Picture this – turning your key and hearing the engine roar to life. The ignition circuit is the maestro orchestrating this automotive symphony. It's the moment when electrical pulses translate into kinetic energy, and understanding its wiring is like holding the conductor's baton.
  • Sensor Circuits Unveiled: Ever wondered how your Jetta senses and adapts to different driving conditions? Enter the world of sensor circuits. These circuits are like the senses of your vehicle, sending signals that shape the engine's response based on real-time data.
  • Power Distribution Dynamics: Think of the wiring as the circulatory system of your Jetta. Power distribution ensures that every part receives the energy it needs, keeping the heart of your vehicle – the engine – beating steadily and reliably.
  • Troubleshooting Made Easy: No one likes unexpected hiccups in their vehicle's performance. That's where troubleshooting comes in. Armed with an understanding of the wiring diagrams, identifying and resolving issues becomes less of a mystery and more of a systematic process.
  • Maintenance Tips for Longevity: Want to be your Jetta's best caretaker? The DIY maintenance tips offer a guide to keeping your vehicle's wiring system in top-notch condition. Simple steps can go a long way in ensuring the longevity and reliability of your Jetta.
  • Empowering Jetta Owners: Beyond the wires and circuits, this journey is about empowerment. Understanding wiring matters isn't just about knowledge; it's about fostering a connection with your vehicle. It's about feeling confident in navigating the electrical intricacies of your Jetta.

So, whether you're a car enthusiast diving into the details or a Jetta owner aiming to be more hands-on with maintenance, the world of wiring diagrams is a fascinating exploration. It's a roadmap that transforms seemingly complex connections into a narrative of how your Jetta comes to life every time you turn the key.

Conclusion :

As we conclude this in-depth exploration of VW Jetta engine wiring diagrams, we hope this journey has been as enlightening for you as it has been for us. Understanding the intricacies of your vehicle's electrical system is akin to possessing the master key to its heartbeat. From decoding schematic diagrams to unraveling the complexities of the ignition circuit and sensor circuits, we've delved into the very essence of how your Jetta breathes life into motion.

Armed with this newfound knowledge, you're not merely a spectator but an empowered participant in the maintenance and understanding of your vehicle. Whether troubleshooting issues, exploring power distribution dynamics, or embracing the DIY approach to ensure longevity, our aim is to provide you with a comprehensive guide that transcends the wires and circuits, fostering a deeper connection with your Jetta. As you navigate the roads ahead, may this knowledge accompany you, transforming every drive into a journey of both confidence and appreciation for the engineering marvel beneath the hood.

Questions and Answer for VW Jetta Engine Wiring Diagrams

Q: What are the key components covered in VW Jetta engine wiring diagrams?

  • 1. Ignition System
  • 2. Sensor Circuits
  • 3. Power Distribution

A: VW Jetta engine wiring diagrams comprehensively cover key components such as the ignition system, sensor circuits, and power distribution. These diagrams serve as detailed blueprints, outlining the intricate connections that power your vehicle.

Q: How do I troubleshoot issues using VW Jetta engine wiring diagrams?

  • 1. Identify Faulty Connections
  • 2. Check for Damaged Wires
  • 3. Use the Diagrams to Trace Circuits

A: Troubleshooting issues with your Jetta's wiring involves identifying faulty connections, checking for damaged wires, and using the wiring diagrams as a guide to trace circuits. This systematic approach helps in efficiently addressing and resolving electrical issues.

Q: Can I perform DIY maintenance based on VW Jetta engine wiring diagrams?

  • 1. Regular Inspections
  • 2. Proper Care of Wiring Components
  • 3. Follow Maintenance Tips

A: Absolutely! DIY maintenance based on VW Jetta engine wiring diagrams is possible. Simple practices like regular inspections, proper care of wiring components, and following maintenance tips provided in the diagrams empower you to contribute to the longevity of your vehicle's electrical system.

Label :VW Jetta, Wiring Diagrams, Ignition Circuit, Sensor Circuits, Power Distribution, Troubleshooting, DIY Maintenance

Keyword : VW Jetta Engine Wiring Diagrams

0 komentar